ADVERTISEMENT

Improving the Efficiency of Helium Transfer Tubes

ADVERTISEMENT

Dr. Michael A. Krzyzowski, CryoVac low temperature technologies (CryoVac GmbH & Co. KG) info@cryovac.de

Figure 1: A typical transfer tube, such as those that were tested and developed throughout this project. Certain parts have been cut away so as to allow a view of the inner parts. A pneumatic valve, as well as some of the pressure connections and one of the feedthroughs for the temperature sensors, can be seen. All test transfer lines were equipped with these additional sensors.
Figure 1: A typical transfer tube, such as those that were tested and developed throughout this project. Certain parts have been cut away so as to allow a view of the inner parts. A pneumatic valve, as well as some of the pressure connections and one of the feedthroughs for the temperature sensors, can be seen. All test transfer lines were equipped with these additional sensors.
One must, on a daily basis, transfer liquefied gases, most notably helium from large static tanks or dewars to smaller transportable vessels. This process can become costly due to the losses sustained during transfer, which must be compensated for by reliquefying helium, requiring between 2 and 5 kW per liquid liter. CryoVac low temperature technologies (CryoVac GmbH & Co. KG, Germany, CSA CSM)), in strong collaboration with the Technical University of Dresden, have been extensively measuring, modeling, optimizing and developing liquid helium transfer tubes.

The losses in large scale transfer tubes are exemplified by the practical need to have a flexible section, so as to facilitate the insertion and removal of the transfer tube from the transport vessel as well as to accommodate different-sized transport vessels. Likewise, the needle valve, which allows one to control the flow of helium, can be a critical point, causing large pressure drops and having a significant heat effect in the system.

We began the measurement process by fabricating large scale transfer tubes, such as those shown in Figure 1, which allowed us to measure the pressure at six critical locations throughout the system, while at the same time measuring the respective temperatures at these locations in the transfer tube (see Figure 2). We could then better map the pressure drops and temperature behavior, giving us the opportunity to improve upon the aspects of the transfer tubes that limited efficiency. By lowering the pressure drops throughout the transfer tube, we enabled a faster transfer rate for the same pressure gradient between the storage and transport vessel, while at the same time reduced the boiloff of liquid helium caused by the transfer process. Likewise, by understanding the cooldown and heat-up processes of the transfer tubes, we could better understand the heat loads and leaks throughout the system. In the early stages we saw amazing agreement between the theoretical models and the measured results, allowing us to model our improvements and concentrate on the critical points, as seen in the simulations. By incorporating only small changes in each iteration and testing how the changes affected transfer rate, heat load and pressure drop, we were able to substantially improve performance.

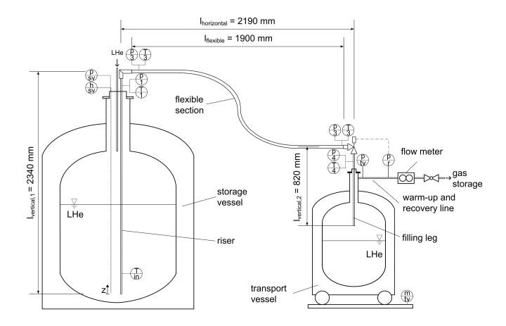
Figure 2: A schematic of the transfer tubes under investigation showing the position of the temperature sensors and pressure gauges. Image: N. Dittmar, the Technical University of Dresden
Figure 2: A schematic of the transfer tubes under investigation showing the position of the temperature sensors and pressure gauges. Image: N. Dittmar, the Technical University of Dresden

As previously mentioned, the flexible piece of the transfer tube is a limiting factor. In order to assess the different types and forms of flexible tubes, we constructed a cryostat that allowed us to install different flexible tubes. We looked at tubes with various inner diameters and bellow shapes. By solely concentrating on this one critical feature, we could optimize the entire transfer tube from the ground up.

In the new transfer tubes, the thermal heat load is mainly due to radiation rather than conduction, and by systemically and scientifically tuning the superinsulation by type and number of layer and by how tightly it is wound, we made substantial improvements to our transfer tubes. Surprisingly, we found that what may be better for one part of the transfer tubes is not the case for other parts; thus, we use different winding processes for different parts of our transfer tubes.

We also improved upon our spacers—the piece keeping the distance between the inner and outer tubes. By incorporating both measurements and theoretical models we found the optimal solution, varying the space, position and material used.

Table 1: The heat load experienced by the various transfer tubes as we progressed through the project. Despite HeTra 1 being more efficient that HeTra 2 and 3, its manufacture was cumbersome and not cost-effective.
Table 1: The heat load experienced by the various transfer tubes as we progressed through the project. Despite HeTra 1 being more efficient that HeTra 2 and 3, its manufacture was cumbersome and not cost-effective.
Table 1 shows the tabulation of the heat load of the transfer tube for the various iterations of the development project. For comparison we also included the values of a standard transfer tube. The heat load is additionally expressed as head load per meter, which is useful for extrapolating how the improvements might affect bigger transfer tubes and heat load per square meter, which is useful when one is considering changing the diameter of the inner tube. One can clearly see that throughout the project the efficiency of our transfer tubes has improved.

Figure 3: Typical pressure versus distance of the transfer tubes that were modified in this development project
Figure 3: Typical pressure versus distance of the transfer tubes that were modified in this development project
A useful way to understand the limiting factors was to map the pressure drop across various parts of the transfer tube. In Figure 3, one can see the pressure drop through the entire length of the transfer tubes. A relatively small acceptable pressure drop per meter is seen in the leg of the transfer tube that is immersed in the liquefier. When the flow is adjusted from a vertical to a horizontal position by moving from the vertical leg to the horizontal part labeled “90° turn” in the figure, we see an increase in the rate of the pressure drop. This is as expected, but throughout our iterations we have managed to substantially improve upon this. Moving into the flexible part of the transfer tube, the rate of the pressure drop increases once again; however, we could foresee this because it was previously known that the flexible part of the transfer tube is a limiting factor. The largest pressure drop rate was seen in the 90° turn into the dewar. Here we also house the cold valve, which is used to stop and start the transfer. Throughout the iteration process we have managed to substantially improve on almost all pressure drops through our transfer tubes.

The results shown here were accompanied by an extensive theoretical and simulation-based investigation performed by the Technical University of Dresden. The pertinent publications associated with this work present more detail [1, 2, 3].

Figure 4: The time required to transfer 96 liters of liquid helium at a consistent pressure difference for the industry standard transfer tube as well as for CryoVac's iterations
Figure 4: The time required to transfer 96 liters of liquid helium at a consistent pressure difference for the industry standard transfer tube as well as for CryoVac's iterations
In Figure 4, the transfer rate of 96 liters of liquid helium at a constant pressure difference is shown for the various iteration steps. One can see that even with small changes we could far improve on the standard transfer tubes available in the industry, and with the latest version we have achieved a 39 percent increase in transfer rate. As such, one can transfer helium into three dewars in the same time it would have previously taken for two. Figure 5 gives a further breakdown of the improvements in our transfer tubes, showing how we not only improved the transfer rate but also decreased the resultant losses of liquid helium during the transfer process.

In conclusion, the transfer tube transfer rates and losses involved with decanting liquid helium have been substantially improved upon. With the new and improved transfer tubes it is now possible to decant helium into three dewars in the same time it used to take for two. All of the improvements discussed herein are now offered in the design of our new series of transfer tubes.

Figure 5: A breakdown of the improvements to CryoVac's transfer tubes versus the industry standard
Figure 5: A breakdown of the improvements to CryoVac's transfer tubes versus the industry standard
The entire work is also the subject of a PhD thesis. CryoVac low temperature technologies is continuing to work closely with the Technical University of Dresden to further improve the design and performance of transfer tubes for different purposes. This work was financially supported by the Federal Ministry of Economics and Technology on the basis of a decision by the German Bundestag (ZIM – KF 2941201UW1).

References

  1. N. Dittmar et al. 24th ICEC & ICMC Vol: 2012 pg. 79ff [2013].
  2. N. Dittmar et al. Advances in Cryogenic Engineering Vol: 59A pg. 893 [2015]
  3. N. Dittmar et al. “Characterisation and optimisation of flexible transfer lines for liquid helium. Part I: Experimental results” Submitted to Cryogenics [2015]

Leave a Reply

Your email address will not be published. Required fields are marked *